txt:猿田守一 構成:編集部
アツデンから気になるアイテム「MC-1」登場
アツデン株式会社から面白いアイテムが7月下旬に発表された。コンパクトマイクアダプター「MC-1」だ。2020年9月末の発売予定で、価格は税別12,000円。
今回発表されたMC-1は、4.6cm四方のキューブ型と、コンパクトな筐体だ。デジタル一眼カメラやハンディタイプビデオカメラなどで使用されている3.5φステレオミニジャック型のマイク入力に対し、Lch・Rchへそれぞれ独立したモノラルマイク入力を行うことが出来るアダプターとなっている。
これらのカメラ側は通常ステレオMICジャックで、挿せるマイクは1本のみとなる。ステレオマイクであるならL/R両チャンネルを使用した入力が可能となるが、モノラルのマイクであれば端子形状にもよるが片チャンネルのみ、または両チャンネル同じ音となってしまう。一眼系のカメラを使った場合この3.5φのマイク入力のみでは、かなり現場で苦戦する事が予想できる。
このような問題にMC-1は重宝する存在となる。ワンオペ取材などの一人で撮影と音声収録を行わなければならない現場での使用を想定して製作されているので、インタビューマイクやワイヤレスピンマイクとの組み合わせや、環境音を収録するマイクとの組み合わせなど、取材カメラで必要な機能を一眼系カメラや3.5φマイク入力のみのハンディタイプビデオカメラでも業務用カメラと同じような音声の心配のない環境を実現できる。
取付方法もよく考えられており、カメラケージやハンドルなどにそのまま取り付けられるようにコールドシューアダプターが配置されている。
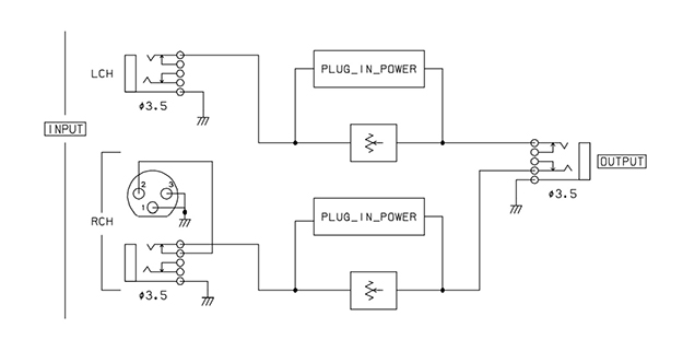
回路構成図を見ると、入力には3極プラグインパワーに対応している3.5φミニジャックマイク入力がL/R各チャンネルにあり、またRchには排他的ではあるがXLRマイク入力が装備されている。3.5φマイク端子はカメラ側から供給されるプラグインパワー電力をそのままスルーして出す事が可能なので、主にコンデンサー型の単一指向性マイクや狭指向性のガンマイクなどプラグインパワー対応のマイクであればそのまま繋ぐことが出来る。
XLR端子にはインタビューマイクでおなじみのSHURE SM63Lなどのダイナミック型マイクも入力可能となっている。XLRの接続はアンバランス(不平衡)となっている。
また特徴的な機能として、各チャンネルに独立した入力レベルコントロールを備えている。このボリュームはミキサーのように増幅する機能は持っていない、いわばパッシブ型といえる。この機能は意外と使い勝手が良く、過大入力に対する調整に大いに役に立つ。特に入力レベル調整機能がメニュー階層の奥に入り込んでいる一眼系のカメラの場合、大きい音に対してすぐにレベル調整することが出来ないのが現状だ。
カメラの過大入力に対するリミッターを効かせれば問題ないが、音の頭を叩いて均してしまってる感がどうしても出てしまう。そのような時に本機のレベルコントロールが活きてくる。ボリュームツマミを回すだけの極めてアナログな調整だが、直感的な調整が可能となる。音に拘らずとも是非とも使っていただきたい機能である。
今回いくつかマイクをお借りできたので筆者所有のカメラで試してみた。ほんの使用例としてご参考にしていただければと思う。
アツデンから本機に対する各社マイクに対しての動作確認表が用意されている。
■MC-1/MIC CUBE動作確認表
| カテゴリ | 型番 | 3.5mm接続 | XLR接続 | 備考 |
| ガンマイク | AZDEN SGM-990+i | 〇 | – | |
| AZDEN SMX-30/15(MONO) | 〇 | – | ||
| AZDEN SGM-250 | – | 〇 | ||
| AZDEN SGM-1100 | – | 〇 | ||
| RODE VIDEO MIC GO | 〇 | – | ||
| RODE VIDEO MICRO | 〇 | – | ||
| RODE VIDEO MIC PRO | 〇 | – | ||
| RODE VIDEO MIC PRO+ | 〇 | – | セーフティチャンネル機能使用不可 | |
| RODE VIDEO MIC NTG | 〇 | – | ||
| ワイヤレス | AZDEN 105LT | 〇 | 〇 | |
| AZDEN PRO-XR | 〇 | – | ||
| RODE WIRELESS GO | 〇 | – | ||
| SONY UWP D11 | 〇 | 〇 | ||
| SONY UWP D21 | 〇 | 〇 | ||
| Saramonic UW MIC9 | 〇 | 〇 | ||
| audio technica ATW-1701/L | 〇 | 〇 | ||
| Sennheiser EW-100 | 〇 | – | ||
| ダイナミックマイク | SHURE SM58 | – | 〇 | |
| タイピンマイク | AZDEN EX-50 | 〇 | – | |
| AZDEN EX-100 | 〇 | – | ||
| AZDEN EX507XR | 〇 | – | ||
| SONY UWP D11タイピンマイク | × | – | ||
| Saramonic UW MIC9タイピンマイク | 〇 | – | ||
| Sennheiser EW-100タイピンマイク | 〇 | – | ||
| RODE Lavalier GO | 〇 | – |
上記のようにかなりの機種に対して動作検証を行っているので安心だ。
音のクオリティを上げていこう
ここ数年で一眼系カメラやスマートフォンなどを利用した動画配信や取材などが一般的となり、かなりのYouTuberやブロガーなどが利用するようになってきた。今まで民生機ベースで制作される動画などもクオリティーがどんどん上がり、今まで御座なりになっていた音声の収録にも徐々に目が向けられるようになってきたようだ。
今回MC-1をお借りして感じた部分を記してみたいと思う。特にライブ配信などで使用する場合はL/Rに音声が分かれてしまうのでL/Rをモノラルに音像を定位させる機能があると使いやすいかもしれない。またコールドシューアダプター部分に1/4インチのネジが切ってあると、自在アームにも取り付けができるようになるので次期バージョンあたりで改良されていることを期待したい。
総じて、MC-1はデジタル一眼やハンディタイプカメラ、スマートフォンなどを使ってイベントやインタビューなどを行っている方々は重宝すると思われる。音のグレードを上げるアイテムとなるのではないだろうか。
WRITER PROFILE
